您当前的位置:首页 > 产品中心 > WP蜗轮蜗杆减速机
详细介绍:
WPS减速机,WPS蜗轮蜗杆减速机,WPS自锁减速机都是属于蜗轮蜗杆减速机系列, 产品在符合按国家标准GB10085-88蜗杆蜗轮参数基础之上,吸取国内外先进科技,独具新颖一格的外部结构,箱体外形美观,以优质铸铁压铸而成。
WPS减速机,WPS蜗轮蜗杆减速机,WPS自锁减速机安装
1、可按实际要求采用多种安装形式,六个面均能安装;
2、安装必须牢固,可靠;
3、原动机、减速机的工作机构之间须仔细对中,误差不得大于所用联轴器的许用补差;
4、安装后用手转动,必须灵活、无卡滞现象。
WPS减速机,WPS蜗轮蜗杆减速机,WPS自锁减速机油量添加事项
很多用户都不清楚蜗轮减速机油量要加多少才为适合,在什么情况下添加蜗轮减速机润滑油,有的用户甚至都不清楚是停止状态下还是运行的状态下衡量油量。请遵守并根据说明书来添加油量,油量添加至油窗的2/3位置。而这个数据是在?;刺碌模⒁猓翰灰谖下旨跛倩诵械淖刺绿砑尤蠡?。因为在蜗轮减速机运行的过程中,其内部部件齿轮或者是蜗轮转动时带动内部的润滑油一起运转,如果在这种情况下判断蜗轮减速机油量的话,可能是满的,也有可能是低于油窗的2/3,甚至有可能没有什么润滑油了。因此在蜗轮减速机运行的状态下来判断油量的话就与实际油量的差距比较大,建议在蜗轮减速机停止运行的状态来衡量油量并添加适量的润滑油。
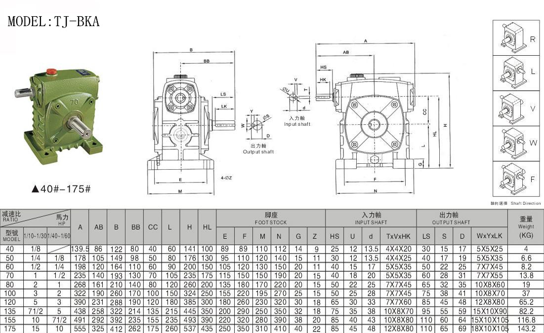
以下是WPS减速机,WPS蜗轮蜗杆减速机,WPS自锁减速机外形尺寸参数图
